Электронный беспроводной терморегулятор Frontier TH 1312RF

Артикул: TH 1312RF + RV 1236M
Электронный беспроводной непрограммируемый терморегулятор Frontier TH 1312RF с встроенным датчиком температуры воздуха в комплекте с исполнительным устройством Frontier RV 1236M.
  • Описание
  • Документация
  • Характеристики
Электронный беспроводной непрограммируемый терморегулятор Frontier TH 1312RF с ЖК дисплеем и встроенным датчиком температуры воздуха предназначен для управления фанкойлами, системами вентиляции,  кондиционирования, внутрипольными конвекторами с принудительной и естественной конвекцией по температуре воздуха.

Основные свойства:
 
  • Информативный ЖК дисплей с голубой подсветкой;
  • Переключатель 3-х скоростей вентилятора + режим AUTO;
  • Три режима работы — «КОМФОРТ», «ЭКОНОМ» и «ВНЕ ДОМА»
  • Изменяемый гистерезис;
  • Функция: Защита от промерзания при +5°C;
  • Контроль обогрева или охлаждения;
  • Возможность с одного терморегулятора управлять несколькими исполнительными устройствами;
  • Простая установка уникального RF кода;
  • Питание терморегулятора 2 батарейки типа АА;
  • Индикация низкого заряда батареек;
  • Клавиша ВКЛ/ВЫКЛ;

 
Артикул
TH 1312RF + RV 1236M
Назначение

для управления фанкойлами системами вентиляции,
кондиционирования, внутрипольными конвекторами
с принудительной и естественной конвекцией.

Режим управления
Обогрев/Охлаждение
Тип управления
Кнопочное
Тип монтажа
Накладной
Коммутируемый ток
Дисплей
ЖК дисплей с голубой подсветкой
Цвет
Белый
Размеры термостата
127 × 89 × 30,4 мм
Гарантия
3 года
Страна производства
Тайвань
Питание

Источник питания терморегулятора TH 1312RF:
Батарейки 2шт тип АА
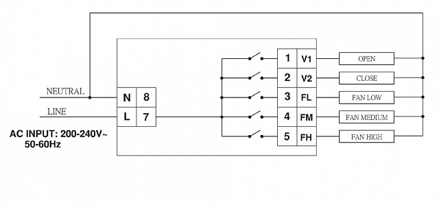
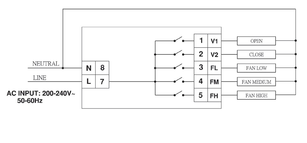
Рабочее напряжение исполнительног устройства RV 1236M:
230В

Заказать звонок

Укажите свой контактный телефон, и мы перезвоним вам в течении 5 минут

Отправить заявку
Прикрепить свои файлы